
Industrial & Specialty Gas Solution
1. What it is
An industrial and specialty gas solution designed to support reliable gas supply for industrial processes, laboratories, and specialized applications.
2. What problem it solves
Industrial and specialty gas users often require stable gas supply, precise pressure control, and high safety standards.
Inconsistent gas quality, unstable pressure, or improper system design can directly affect production efficiency, process safety, and operational reliability. A well-engineered gas supply system ensures continuous and controlled gas delivery tailored to specific application requirements.
3. Our scope
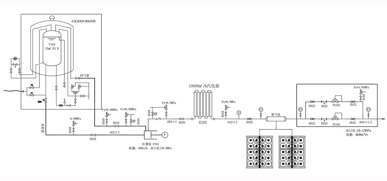
Glory Gas provides engineered solutions for industrial and specialty gas systems, including:
• Gas storage and supply systems for industrial gases
• Pressure regulation, control, and distribution networks
• Gas vaporization and conditioning systems
• Safety, monitoring, and control systems
• Cylinders for Acetylene, liquid Ammonia,liquid Chlorine
• High purity gases like N2O, Carbon Dioxide, Argon

4. Typical applications
• Industrial manufacturing and processing facilities
• Power plants and energy-related industries
• Laboratories and research facilities
• Medical and specialty gas supply systems
5. Key advantages
• Multi-gas engineering capability: Experience across a wide range of industrial and specialty gases
• Application-oriented design: Systems tailored to specific process and operational needs
• High safety standards: Designed to meet industrial and regulatory requirements
• Reliable long-term operation: Focus on system stability and lifecycle performance
